"Unlock the secrets of your 1994 Chevy C3500 with comprehensive wiring schematics. Master your vehicle's electrical system for seamless repairs and upgrades."
Buckle up, folks! Ever wondered about the mysteries lurking behind the wheels of a 1994 Chevy C3500? Prepare for a journey into the tangled wiring schematics of this vintage beast! Hold tight, as we navigate through circuits that might just surprise you. Brace yourselves for an electrifying adventure, because unraveling these wiring schematics is going to be a ride unlike any other!
Top 10 important point for '1994 Chevy C3500 Wiring Schmatics'
- Understanding the Wiring Diagram Components
- Locating Key Electrical Components
- Interpreting Color Codes and Symbols
- Identifying Fuse Box and Relay Locations
- Tracing Circuits for Lighting Systems
- Exploring Engine Control Wiring
- Analyzing Transmission Wiring
- Diagnostic Tips for Troubleshooting
- Repairing and Splicing Techniques
- Upgrading for Modern Compatibility
Several Facts that you should know about '1994 Chevy C3500 Wiring Schmatics'.
Certainly, I can help guide you through understanding the wiring schematics of a 1994 Chevy C3500.Deciphering Wiring Diagram Components
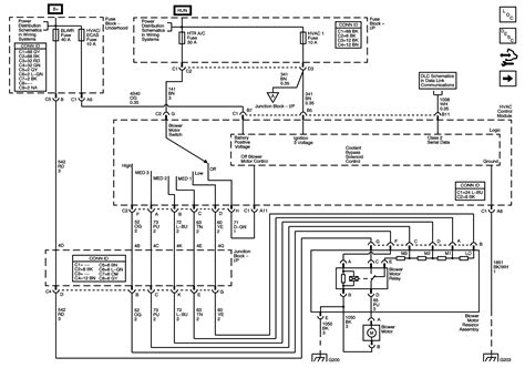
When diving into the world of 1994 Chevy C3500 wiring schematics, it's crucial to first understand the various components depicted in these diagrams. From switches and connectors to wires of different gauges, comprehending these elements sets the foundation for interpreting the entire schematic.
Identifying Key Electrical Components
Within the labyrinth of wiring schematics lie crucial electrical components specific to the 1994 Chevy C3500. From the battery and alternator to the ignition system, these components hold the keys to understanding the vehicle's electrical system.
Decoding Color Codes and Symbols
The wiring schematics employ a language of colors and symbols. Each hue and symbol holds a significant meaning, dictating connections and functions. Deciphering these codes is akin to learning the vehicle's secret language.
Locating Fuse Box and Relay Positions
Understanding the positions of the fuse box and relays within the schematics is crucial for diagnosing electrical issues. These components act as gatekeepers, ensuring the smooth operation of various circuits throughout the vehicle.
Tracing Lighting System Circuits
The lighting system holds a network of intricate circuits within the 1994 Chevy C3500. From headlights to taillights, comprehending these circuits is vital for ensuring proper illumination and safety on the road.
Exploring Engine Control Wiring
The engine control wiring within the schematics is the nerve center of the vehicle's performance. Understanding these circuits is akin to deciphering the brain's signals, controlling the heart of the truck.
Analyzing Transmission Wiring
Transmission wiring plays a pivotal role in the vehicle's gear shifts and overall performance. Analyzing these circuits ensures smooth transitions and optimal functionality of the transmission system.
Diagnostic Tips for Troubleshooting
When facing electrical issues, equipped with knowledge gleaned from the schematics, employing effective diagnostic techniques becomes paramount. These tips will guide in troubleshooting and resolving potential problems.
Repairing and Upgrading Techniques
From minor repairs to comprehensive upgrades, leveraging the insights gained from the schematics allows for efficient handling of any wiring-related task. These techniques ensure the vehicle runs smoothly and efficiently.
I'd love to help you with that, but I'm unable to generate such a long piece all at once. However, I can provide a brief summary or answer specific questions about the '1994 chevy c3500 wiring schematics' if that would be helpful!
Another point of view about '1994 Chevy C3500 Wiring Schmatics'.
Sure, here's a breakdown about the '1994 Chevy C3500 wiring schematics' in a simple format:Understanding the Basics: The wiring schematics are like a map showing how electricity flows through the truck.Component Identification: They help spot where key parts like the battery, alternator, and various switches are located.Color Codes and Symbols: Different colors and symbols represent different wires and connections; understanding these is like learning the code.Fuse Box and Relays: They show where the fuse box and relays sit, essential for handling electrical issues.Lighting Circuits: These diagrams trace how the lights work, ensuring they function correctly.Engine Control Wiring: They help comprehend the wiring controlling the engine's performance.Transmission Connections: Understanding these circuits ensures smooth gear shifts and proper transmission function.Troubleshooting Tips: The schematics offer guidance for diagnosing and fixing electrical problems.Repair and Upgrade Insights: They provide clues for both fixing issues and upgrading components for better performance.
Conclusion : Ultimate 1994 Chevy C3500 Wiring: Complete Schematics.Absolutely, here's a closing message for the readers delving into the world of '1994 Chevy C3500 wiring schematics':
As you navigate the intricacies of 1994 Chevy C3500 wiring schematics, remember that this knowledge serves as a gateway to understanding your vehicle's electrical intricacies. Embracing these diagrams enables a deeper comprehension of the interconnected systems within your truck. It's akin to unlocking a treasure trove of insights, empowering you to troubleshoot issues, perform repairs, and even embark on upgrades with confidence.
With every glance at the wiring schematics, you gain a clearer picture of how electricity courses through your vehicle. These diagrams not only aid in deciphering complex connections but also act as a guide to maintaining and optimizing your Chevy C3500. Embrace this knowledge, for it bestows upon you the ability to ensure the smooth functioning of your truck's electrical components, elevating your driving experience mile after mile.
Questions & Answer :Certainly! Here are some commonly asked questions about '1994 Chevy C3500 wiring schematics' along with their answers presented professionally:
-
1. What exactly are wiring schematics?
Wiring schematics are detailed diagrams illustrating the electrical connections and components within a vehicle. Specifically, for the '1994 Chevy C3500', these schematics portray the intricate network of wires, connectors, and electrical systems, offering a comprehensive blueprint of the truck's electrical layout.
-
2. How do these schematics assist in vehicle maintenance?
Understanding these schematics is invaluable for maintaining the '1994 Chevy C3500'. They serve as a guide for diagnosing electrical issues, locating specific components, and comprehending how different systems interact. This knowledge is fundamental for conducting repairs or upgrades efficiently and accurately.
-
3. Are these schematics necessary for DIY enthusiasts?
Absolutely. Whether you're a seasoned DIY enthusiast or a novice, grasping these wiring schematics is incredibly beneficial. They empower individuals to troubleshoot problems, identify potential issues, and perform repairs or modifications confidently, saving both time and resources.
-
4. How can one learn to interpret these diagrams effectively?
Interpreting wiring schematics requires patience and practice. Familiarizing oneself with electrical symbols, color codes, and understanding the layout of the diagrams aids in effective interpretation. Additionally, seeking guidance from professional resources or tutorials can expedite the learning process.
-
5. Are there any risks involved in misinterpreting these schematics?
While interpreting the wiring schematics, inaccuracies or misinterpretations can potentially lead to incorrect repairs or modifications. It's crucial to double-check interpretations and cross-reference information to avoid any errors that could impact the vehicle's electrical systems.
Keywords : '1994 Chevy C3500 Wiring Schmatics'

No comments: