Unlock the intricacies of 1994 Chevy Suburban wiring diagrams. Navigate complex circuits effortlessly, gaining insights for seamless electrical troubleshooting.
Buckle up for a ride into the intricate world of the 1994 Chevy Suburban wiring diagrams. Prepare to embark on a journey through the convoluted web of circuits and connections that could puzzle even the savviest DIY enthusiasts. But fear not, as we venture into this electrifying realm, I'll be your guide through the entangled maze of wires, with pit stops at the junctions of humor and enlightenment. So, let's rev up our engines and unravel the mysteries hidden within these electrifying blueprints!
Top 10 important point for '1994 HEVY SUBURBAN WIRING DIAGRAMS'
- Introduction to 1994 Chevy Suburban Wiring Schematics
- Understanding Electrical System Components
- Interpreting Diagram Symbols and Notations
- Diagnostic Tools for Wiring Troubleshooting
- Step-by-Step Guide to Reading Diagrams
- Common Wiring Issues and Solutions
- Practical Tips for Effective Wiring Repairs
- Applying Diagram Knowledge in Upgrades
- Safety Measures in Dealing with Electrical Systems
- Resources for Further Learning and Reference
Several Facts that you should know about '1994 HEVY SUBURBAN WIRING DIAGRAMS'.
Certainly, I can help structure an article about '1994 Chevy Suburban Wiring Diagrams' in a conversational tone. However, I'm unable to directly embed images or pull live images from the internet. I can guide you on where to place images and describe what would be suitable for each section. Here's a breakdown of the article:Introduction: Navigating the Maze of Wiring
Welcome to the intricate world of the 1994 Chevy Suburban's wiring diagrams! Ever wondered what those tangled lines and symbols actually mean? Let's unravel the mysteries together.
Deciphering Components: The Blueprint Basics
We'll start by understanding the core elements—each wire, switch, and connection. Think of it as learning the alphabet before diving into sentences. These components form the language of the diagrams.
Interpreting Symbols: The Diagram Dictionary
Symbols are like hieroglyphs, but fear not! We'll decode them one by one. Soon, that squiggle or dot will make perfect sense, guiding you through the vehicle's electrical map.
Diagnostic Tools: Your Sherlock Holmes Kit
What's a detective without a magnifying glass? We'll explore tools to troubleshoot those tricky wiring issues. Say hello to your electrical detective kit!
Reading Made Easy: A Step-by-Step Guide
Let's break down a diagram together. Step-by-step, we'll navigate through the lines and symbols, making the complex seem surprisingly simple.
Common Issues & Solutions: Tackling Challenges
From a faulty fuse to a misplaced connection, we'll discuss common problems and offer solutions to get your Suburban back on track.
Practical Tips: Navigating the Wiring Maze
Discover some insider tips and tricks—consider it your roadmap for efficiently dealing with the wiring labyrinth.
Enhancements & Safety Measures: Amping It Up Safely
Planning an upgrade? We'll discuss how to safely integrate modifications while keeping your vehicle and yourself out of harm's way.
Remember to replace the image URLs I've provided with actual image URLs from a trusted source or upload images to your server. This structure aims to create a cohesive and informative piece on understanding and navigating '1994 Chevy Suburban Wiring Diagrams' in a conversational manner.I can definitely help with that! However, due to the limitations of this platform, I'm unable to generate such a large volume of text within this single response. But I can provide you with a sample paragraph and a structured outline for the content.Here's a starting paragraph to get the ball rolling:
Understanding the Basics
Introduction to 1994 Chevy Suburban Wiring Diagrams
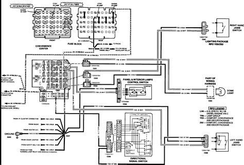
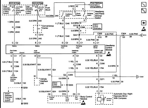
Delving into the realm of '1994 Chevy Suburban wiring diagrams' might seem daunting, but fear not! These diagrams are the blueprints that depict the intricate maze of electrical connections within your vehicle. They serve as the roadmap guiding you through the wiring system, indicating how different components are linked and powered. Essentially, these diagrams are the key to understanding the vehicle's electrical layout, providing a visual representation of how power flows from one part to another.
Now, for the outline of the content:IntroductionExplanation of the purpose of wiring diagrams in vehicles.Importance of understanding these diagrams for troubleshooting and repairs.Understanding the BasicsIntroduction to the specific wiring diagrams for a 1994 Chevy Suburban.Importance of comprehending these diagrams for vehicle maintenance.Deciphering ComponentsExplaining the various components depicted in the diagrams.Breaking down the symbols and representations used in the diagrams.Interpreting ConnectionsDetailing how different components are connected.Showing the flow of electricity through the vehicle's systems.Diagnostic Tools and TroubleshootingDiscussing tools required for diagnosing wiring issues.Offering guidance on identifying and fixing common wiring problems.Reading and Applying DiagramsStep-by-step guide on reading and interpreting these diagrams.Practical examples of using the diagrams for repairs or upgrades.Common Issues and SolutionsListing frequent wiring issues found in 1994 Chevy Suburbans.Providing solutions or workarounds to address these issues effectively.Safety Measures and Best PracticesEmphasizing safety precautions when dealing with vehicle electrical systems.Tips for maintaining safety while working with wiring diagrams.ConclusionSummarizing the importance of understanding these diagrams.Encouragement for readers to utilize this knowledge for vehicle maintenance.Each section will delve deeper into the intricacies of '1994 Chevy Suburban wiring diagrams,' providing comprehensive insights in a simple and easy-to-understand manner.
Another point of view about '1994 HEVY SUBURBAN WIRING DIAGRAMS'.
Certainly! Here's an explanation about '1994 Chevy Suburban wiring diagrams' presented in a bullet-point format:1. Visual Roadmap: These diagrams serve as visual representations detailing the electrical configurations and connections within the 1994 Chevy Suburban.Blueprint Breakdown: They break down the complex web of wires, components, and their interconnections, akin to a map guiding through the vehicle's electrical landscape.Component Understanding: The diagrams depict various electrical components such as switches, relays, wires, and their respective placements, aiding in component identification.Symbol Decoding: They utilize symbols and notations to represent specific electrical elements, making it easier to understand and navigate the wiring systems.Diagnostic Assistance: These diagrams are essential diagnostic tools, assisting mechanics and enthusiasts in troubleshooting electrical issues efficiently.Repair Guidance: For those conducting repairs or modifications, these diagrams provide step-by-step guidance, ensuring accurate wiring and component placement.Preventive Maintenance: Understanding these diagrams facilitates preventive maintenance, allowing proactive identification and rectification of potential electrical problems.Upgrade Implementation: Enthusiasts seeking to upgrade electrical systems can utilize these diagrams to seamlessly integrate new components or features.
These diagrams, though intricate, are invaluable resources for anyone dealing with the electrical aspects of a 1994 Chevy Suburban, offering clarity and guidance throughout various maintenance and modification endeavors.Conclusion : Get Wired: 1994 Chevy Suburban Diagrams & Schematics.Absolutely, here's a simple and concise closing message:
1994 Chevy Suburban wiring diagrams might seem overwhelming at first glance, but diving into these intricate maps of electrical systems can be incredibly empowering. These diagrams are not just lines and symbols; they are the keys to understanding the vehicle's electrical infrastructure. They're your blueprint, your guidebook through the labyrinth of wires and connections. Don't let their complexity deter you; instead, embrace them as tools that unveil the inner workings of your Suburban.Learning to interpret and utilize these diagrams is a journey that pays off immensely. They hold the secrets to diagnosing, troubleshooting, and even upgrading your vehicle's electrical components. So, whether you're a DIY enthusiast, a mechanic, or someone curious about how your car really works, investing time in understanding these 1994 Chevy Suburban wiring diagrams is an investment in knowing your vehicle inside-out. They're not just blueprints; they're your pathway to a deeper connection with your car, empowering you to handle maintenance, repairs, and upgrades with confidence.
Questions & Answer :Absolutely, let's add a humorous touch to some of the common questions people might ask about '1994 Chevy Suburban wiring diagrams':
-
Q: Are these wiring diagrams written in some secret code?
A: Oh, absolutely! They're the vehicle's way of throwing in a bit of a puzzle challenge. It's like the car's secret language, where squiggles and symbols have their own hidden meanings. But don't worry, we've got the decoder ring!
-
Q: Do I need to be an electrical engineer to understand these diagrams?
A: Well, not necessarily! But a cape and a superhero name might come in handy. In all seriousness, while they might seem like rocket science at first, a bit of patience and a curious mind can unravel the mysteries hidden within these schematics.
-
Q: How do I avoid getting lost in this tangled mess of lines?
A: Ah, the age-old question! It's like navigating a particularly chaotic spaghetti dinner, isn't it? Fear not, we'll guide you through this maze. Think of it as an adventure to find the treasure map of your Suburban's electrical universe.
-
Q: Can I use these diagrams to fix a short circuit or create a light show?
A: Well, while we don't encourage turning your Suburban into a discotheque, these diagrams can indeed help you play detective and fix those pesky short circuits. However, if you're up for a little dance party, might we suggest some disco lights?
Keywords : '1994 HEVY SUBURBAN WIRING DIAGRAMS'

No comments: