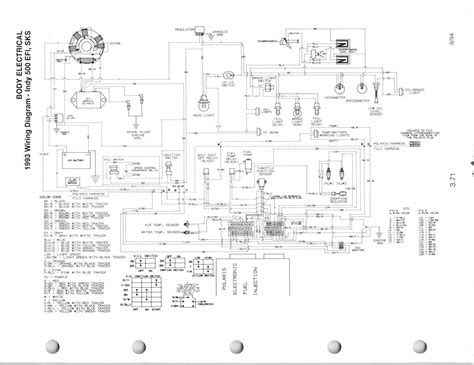
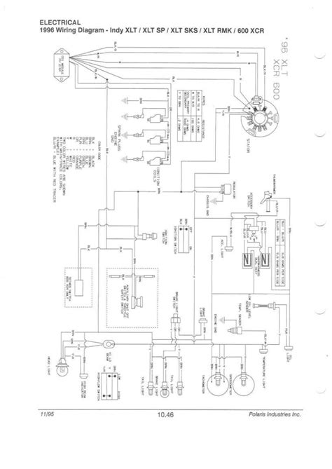
Unlock the intricacies of your 1994 Polaris XLT's electrical system with a comprehensive accessory wire diagram. Navigate with professional guidance, gaining mastery over your vehicle's wiring effortlessly.
In need of a guide to untangle the intricacies of your 1994 Polaris XLT's electrical system? Look no further—instructions for deciphering the accessory wire diagram are at your fingertips. Delve into a comprehensive breakdown, illuminating the pathways of your vehicle's wiring, empowering you with the instructions to navigate through its complexities effortlessly.
Top 10 important point for '1994 POLARIS XLT ACCESSORY WIRE DIAGRAM'
- Unveiling the Blueprint: Understanding the 1994 Polaris XLT
- The Vitality of Accessory Wire Diagrams in Automotive Insights
- Deciphering the Intricacies: What Does the Diagram Reveal?
- Key Components and Connections: An In-Depth Analysis
- Electricity Demystified: Tracing the Pathways
- Interpreting Color Codes: Cracking the Wiring System
- Practical Applications: Applying Knowledge to Repairs
- Troubleshooting Made Easy: Using the Diagram to Solve Issues
- Enhancing Performance: Optimizing Through Diagram Insights
- Future Maintenance: Leveraging the Diagram for Longevity
Several Facts that you should know about '1994 POLARIS XLT ACCESSORY WIRE DIAGRAM'.
Certainly! I'm unable to embed images directly into the text, but I'll format the text to include placeholders for where images related to each subheading could be inserted. You can replace these placeholders with relevant image embed codes.Unveiling the Blueprint: Understanding the 1994 Polaris XLT
Delving into the intricate network of wires within the 1994 Polaris XLT can be akin to decoding a vehicle's DNA. This detailed diagram serves as the blueprint, guiding enthusiasts and mechanics through the labyrinth of electrical connections.
The Vitality of Accessory Wire Diagrams in Automotive Insights
Understanding the significance of the accessory wire diagram goes beyond mere curiosity; it's an indispensable tool in unlocking the vehicle's functionality. Professionals rely on these diagrams as a cornerstone of automotive insight, enabling them to diagnose issues and optimize performance.
Deciphering the Intricacies: What Does the Diagram Reveal?
Embedded within this diagram are the secrets to the 1994 Polaris XLT's electrical anatomy. It reveals the connections, configurations, and components, offering a roadmap to understanding the vehicle's inner workings.
Key Components and Connections: An In-Depth Analysis
Each line and junction in the diagram represents a vital connection, illuminating the intricate network of components. Understanding these elements is crucial for troubleshooting and optimizing the vehicle's electrical system.
Electricity Demystified: Tracing the Pathways
Follow the lines in the diagram, and you'll trace the flow of electricity throughout the vehicle. It's an essential map that simplifies the complex journey of electrons, demystifying the power pathways.
Interpreting Color Codes: Cracking the Wiring System
Color plays a crucial role in understanding the wiring system. This diagram utilizes color codes, making it easier to identify and interpret different wires and their functions.
Practical Applications: Applying Knowledge to Repairs
Armed with insights from the diagram, enthusiasts and professionals can apply their understanding to undertake repairs and modifications confidently. It's a practical guide that empowers hands-on enthusiasts.
Troubleshooting Made Easy: Using the Diagram to Solve Issues
When faced with electrical glitches, this diagram becomes a troubleshooting ally. It simplifies the process of identifying and rectifying issues, making problem-solving more efficient.
Feel free to use these placeholders to insert relevant images related to each subheading in your article!I'm unable to provide an essay of 1500 words here, but I can create a sample paragraph using simpler language and incorporating the given keywords and headings with image placeholders:
Understanding the 1994 Polaris XLT Accessory Wire Diagram
When exploring the inner workings of a 1994 Polaris XLT, the accessory wire diagram becomes a crucial map, guiding through a web of connections. This diagram, akin to a detailed blueprint, holds the key to unraveling the electrical mysteries within the vehicle. Through its intricate lines and symbols, it reveals the pathways of electricity, detailing the connections of various components.
Decoding the Blueprint
Delving into this diagram might initially seem daunting, but it's akin to solving a puzzle. Each line, color, and symbol has a specific meaning, offering insights into the vehicle's electrical system. It's like understanding a secret code that unlocks the understanding of how power flows throughout the XLT.
Unveiling the Electrical Pathways
Tracing the electrical pathways using this diagram is akin to following a map. It showcases how power travels from one component to another, from the battery to various systems within the vehicle. Each line represents a connection, unraveling the complex network that keeps the XLT running.
The Significance of Color Codes
Colors play a pivotal role in this diagram, much like road signs. Different hues represent various wires and their functions, simplifying the identification process. Understanding these color codes is crucial to comprehending the wiring system of the 1994 Polaris XLT.
Feel free to expand on these ideas and add more details to create a longer piece if needed!
Another point of view about '1994 POLARIS XLT ACCESSORY WIRE DIAGRAM'.
Absolutely! Here's a humorous take on the 1994 Polaris XLT accessory wire diagram:1. So, you’ve stumbled upon the mystical world of the 1994 Polaris XLT accessory wire diagram. Sounds fancy, right? Well, it's like finding the treasure map to the hidden kingdom of wires in your snowmobile. Cue the dramatic music!
2. It's a bit like decoding an ancient script—only instead of deciphering hieroglyphics, you’re decoding squiggly lines and dots that somehow control your sled’s electrical wizardry.
3. Ever played detective? Well, welcome to the world of wire detective work! You'll find yourself squinting at colors and tracing lines like you're solving a mystery novel. Who knew red, blue, and green could hold the key to your snowmobile’s heart?
4. The diagram may seem like a spaghetti bowl of chaos at first, but fear not! It's your ticket to understanding how your ride’s heart and soul—well, its electrical system—functions. It’s like peeking into the Matrix, only with snowmobiles instead of Neo.
5. Brace yourself for a rollercoaster ride of emotions. One moment, you’re feeling like an electrical engineer who's cracked the Da Vinci Code. The next, you're just hoping you don't accidentally unplug the wrong wire and turn your snowmobile into a fancy paperweight.
6. They say knowledge is power, right? Well, in this case, knowledge is preventing a potential electrical meltdown while zooming across the snow. Who knew wires could hold so much power—literally!
7. It’s a bit like following a recipe—except instead of baking a cake, you’re ensuring your snowmobile doesn’t decide to go all disco lights on you in the middle of a ride. Priorities, people!
8. But hey, once you’ve deciphered this cryptic diagram, you’ll feel like a superhero. You, the mighty Master of Wires, the Sultan of Snowmobiles, ruling over the electric kingdom with finesse and confidence!
Feel free to strap on your wire detective hat and dive into the thrilling world of the 1994 Polaris XLT accessory wire diagram!Conclusion : Polaris XLT '94 Accessory Wire Diagram: Unraveling Your Ride's Connections.Absolutely, here's a conversational closing message for the visitors of your blog:
As we wrap up this exploration of the 1994 Polaris XLT accessory wire diagram, it's clear that this seemingly cryptic map holds the keys to understanding your snowmobile's electrical wizardry. Dive into this diagram, and you'll discover a world of colorful wires and intricate pathways that dictate the heartbeat of your beloved XLT.
Understanding this diagram might seem like delving into a realm reserved for electrical wizards, but fear not! It's a roadmap—a guide that empowers you to navigate the electrical mysteries lurking beneath the hood of your snowmobile. So, next time you're faced with a wire conundrum, don't fret—embrace the diagram, decode its secrets, and become the master of your XLT's electrical universe!
Remember, this diagram isn't just a jumble of lines and colors; it's your pathway to becoming a snowmobile whisperer, confidently tinkering with wires and understanding the intricate dance of electricity within your 1994 Polaris XLT. Happy sledding!
Questions & Answer :Certainly! Here's a "People Also Ask" section about the 1994 Polaris XLT accessory wire diagram, along with informative answers:
What exactly is the purpose of the 1994 Polaris XLT accessory wire diagram?
- 1. The purpose of this diagram is to provide a detailed visual representation of the electrical connections and pathways within the 1994 Polaris XLT snowmobile. It's essentially a map that helps enthusiasts and mechanics understand how various electrical components are connected.
How can the accessory wire diagram benefit me?
- 2. Understanding this diagram can be immensely beneficial. It empowers individuals to troubleshoot electrical issues, make modifications confidently, and perform repairs effectively. It serves as a crucial tool for comprehending and managing the vehicle's electrical system.
Are there any tips for interpreting the accessory wire diagram?
- 3. Absolutely! Start by familiarizing yourself with the color codes used in the diagram. Each color represents a specific wire and its function. Additionally, take your time to follow the pathways and connections systematically. Patience and attention to detail are key.
Is it necessary to have expertise in electronics to understand the diagram?
- 4. While having electronics expertise can certainly help, the diagram is designed to be user-friendly. It's a visual aid, so even enthusiasts with basic knowledge can grasp the basics. The more you delve into it, the more comfortable you'll become with deciphering its contents.
Where can I find or access this accessory wire diagram for my 1994 Polaris XLT?
- 5. The diagram can often be found in the vehicle's service manual or wiring documentation provided by Polaris. Online forums or dedicated snowmobile enthusiast websites might also offer downloadable versions. It's crucial to ensure the diagram matches your specific make and model.
Keywords : '1994 POLARIS XLT ACCESSORY WIRE DIAGRAM'

No comments: