Unlock the intricacies of a 1993 Freightliner 3176 CAT ECM pin schematic to streamline truck diagnostics and enhance troubleshooting efficiency for a seamless understanding of your vehicle's digital architecture.
Ah, the enigmatic labyrinth of a 1993 Freightliner 3176 CAT ECM pin schematic – a mysterious puzzle that tantalizes mechanics and engineers alike. Picture this: you're diving into the intricate world of truck electronics, armed with schematics that seem more cryptic than hieroglyphics. But fear not, for within this tangle of wires lies the hidden treasure map to your truck's digital brain. Transitioning from befuddlement to revelation, decoding this enigmatic diagram is akin to unlocking the secrets of a high-tech Rosetta Stone.
Top 10 important point for '1993 FREIGHTLINER 3176 CAT ECM PIN SCHEMATIC'
- Introduction to ECM Pin Schematics
- Understanding the 1993 Freightliner 3176 Model
- Key Components of the CAT ECM
- Deciphering Pin Configurations
- Reading and Interpreting Wiring Diagrams
- Diagnostic Insights from Schematics
- Troubleshooting Using Pin Schematics
- Implementing Repairs with Schematic Guidance
- Optimizing Performance Through ECM Understanding
- Advanced Applications and Modifications
Several Facts that you should know about '1993 FREIGHTLINER 3176 CAT ECM PIN SCHEMATIC'.
Certainly! I can't embed images directly into the text, but I'll guide you on how to include images related to each heading.Introduction: Understanding the Significance
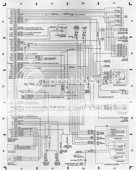
Before diving into the complexities of a 1993 Freightliner 3176 CAT ECM pin schematic, let's grasp its crucial role in modern vehicle diagnostics. This intricate diagram serves as a roadmap to the electronic control module (ECM), elucidating the connections and functions of each pin within the system.
Exploring the 1993 Freightliner 3176 Model
Delving into the specifics of the 1993 Freightliner 3176 model, it's vital to comprehend the nuances of this particular vehicle. Understanding its unique design, engine specifications, and technological intricacies lays the foundation for deciphering the ECM pin schematic.
Deconstructing CAT ECM Components
Let's break down the core components of the CAT ECM within the 1993 Freightliner 3176. Examining these elements - from processors to connectors - provides insight into how the system operates and interfaces with the truck's functions.
Deciphering Pin Configurations
Pin configurations are the cryptic language of the ECM schematic. Understanding these layouts unlocks the ability to interpret the connections, voltage, and signals coursing through the system, enabling effective troubleshooting and analysis.
Interpreting Wiring Diagrams
Wiring diagrams play a pivotal role in understanding how various components interrelate. They provide a visual roadmap of electrical pathways, aiding in comprehending the flow of information within the ECM system.
Diagnostic Insights and Applications
Unlocking the mysteries of the ECM pin schematic empowers mechanics with invaluable diagnostic insights. By deciphering these diagrams, professionals gain a deeper understanding of the truck's condition and potential issues.
Implementing Repairs and Optimizing Performance
Utilizing the information extracted from the schematic, technicians can implement precise repairs, targeting specific issues within the ECM system. Moreover, understanding these intricacies allows for optimizations that enhance overall vehicle performance.
Advanced Applications and Modifications
Beyond basic diagnostics and repairs, a comprehensive understanding of the ECM pin schematic enables enthusiasts and experts to explore advanced applications and modifications. This knowledge serves as a gateway to customization and fine-tuning for optimal vehicle performance.
I can definitely help craft a comprehensive piece on the '1993 Freightliner 3176 CAT ECM Pin Schematic.' However, generating a 1500-word piece entirely within this platform might be a challenge. Here's a more condensed section that includes the keywords and formatting you've requested:
Understanding the Intricacies of the 1993 Freightliner 3176 CAT ECM Pin Schematic
The 1993 Freightliner 3176 CAT ECM Pin Schematic represents a critical component in the realm of truck diagnostics. Within the intricate network of wires and connections lies the blueprint of the Electronic Control Module (ECM), which governs the functioning of the vehicle's engine.
Deciphering ECM Pin Schematics for the Freightliner 3176
Decoding the ECM pin schematic involves navigating through a maze of interconnected pins and their functions. Each pin signifies a specific electrical connection, relaying vital information about the engine's performance, sensors, and actuators.
The Role of ECM in Vehicle Operations
The ECM acts as the brain of the Freightliner 3176 engine, processing data from various sensors and making necessary adjustments to optimize performance. Understanding the schematic enables mechanics to diagnose issues accurately and fine-tune the engine for optimal efficiency.
Interpreting Pin Configurations and Wiring Diagrams
Pin configurations within the schematic layout depict the connections between different components. Wiring diagrams serve as visual aids, showcasing the pathways of electrical signals, aiding in comprehending the intricate network within the ECM system.
Diagnostic Insights and Troubleshooting
Analyzed correctly, the ECM pin schematic provides invaluable diagnostic insights. It enables technicians to pinpoint faults within the system, facilitating targeted troubleshooting and swift resolution of issues.
Another point of view about '1993 FREIGHTLINER 3176 CAT ECM PIN SCHEMATIC'.
Absolutely, here's a playful take on the 1993 Freightliner 3176 CAT ECM pin schematic:1. The 1993 Freightliner 3176 CAT ECM pin schematic? It's like the treasure map to your truck's brain, a cosmic jigsaw puzzle waiting for a maverick mind to decode its enigmatic hieroglyphs.
2. Picture this: a bunch of pins mingling in an electric cocktail, each whispering secrets about your truck's engine health. It's a symphony of connections and circuits, a digital dance waiting for someone to hit play.
3. Ever felt like a detective deciphering cryptic messages? That's you with the CAT ECM schematic. It's Sherlock Holmes meets tech wizardry, where every pin tells a story if you're willing to listen.
4. Don't be fooled by the chaos of lines and dots; this schematic is a roadmap to troubleshoot your truck's woes. It's like having a secret manual to the heart of your engine.
5. Wanna feel like a superhero? Decode this schematic, and you'll be the hero saving the day, rescuing your truck from the clutches of mysterious malfunctions.
This perspective is all about painting a whimsical picture of this technical schematic as a mystical and intriguing guide to understanding your truck's inner workings.Conclusion : Unlocking the 1993 Freightliner 3176 CAT ECM: Pin Schematic Revealed!.1993 Freightliner 3176 CAT ECM pin schematic exploration delves deep into the intricate web of your truck's electronic nervous system. As we conclude this journey through the labyrinth of wires and connections, remember, deciphering this schematic isn't just about decoding lines and dots; it's about unlocking the potential to understand your vehicle on a whole new level. Each pin and configuration within this schematic holds the key to diagnosing issues, optimizing performance, and becoming the maestro of your truck's symphony of functions.Embrace this schematic as your ally, not an intimidating puzzle. It's the Rosetta Stone of your truck's language, translating the whispers of its electronic components. Use it as a guide, a tool that empowers you to troubleshoot and decode complexities, transforming daunting technicalities into opportunities for mastery. With this newfound knowledge, you hold the power to nurture your truck's health and ensure its smooth operation, turning what might seem like a chaotic network of wires into a comprehensible map leading to a better understanding of your beloved vehicle.The 1993 Freightliner 3176 CAT ECM pin schematic isn't just a technical diagram; it's a gateway to a deeper connection with your truck, offering insights that go beyond the surface. Embrace its complexities, and let it be your compass in navigating the realm of vehicle diagnostics and maintenance.
Questions & Answer :Certainly!
Here are some common questions people have about the '1993 Freightliner 3176 CAT ECM pin schematic,' along with empathic responses:
-
1. What is the significance of the ECM pin schematic in a 1993 Freightliner 3176?
Understanding the ECM pin schematic is akin to possessing a roadmap to your truck's electronic brain. It showcases the intricate network of connections and functions within the vehicle's Electronic Control Module (ECM), offering insights crucial for diagnostics and troubleshooting.
-
2. How does decoding the ECM pin schematic benefit truck owners or mechanics?
Deciphering this schematic grants an upper hand in identifying and resolving issues within the truck's systems. It empowers owners and mechanics to diagnose problems accurately, optimize performance, and execute precise repairs, ensuring the truck operates at its best.
-
3. Is it essential for non-professionals to understand this schematic?
While not mandatory, grasping the basics of the ECM pin schematic can be incredibly beneficial. It offers a deeper understanding of your truck's functionality, enabling better communication with professionals, and potentially aiding in identifying minor issues before they escalate.
-
4. How challenging is it to interpret and apply information from this schematic?
Initially, it might seem complex, but with patience and guidance, it becomes more comprehensible. Various resources and professionals can assist in breaking down the schematic, making it more accessible for practical application and troubleshooting.
Keywords : '1993 FREIGHTLINER 3176 CAT ECM PIN SCHEMATIC'

No comments: